Actunova
HTDW-4530-02-DNE
HTDW-4530-02-DNE
Regular price
$179.99 USD
Regular price
Sale price
$179.99 USD
Quantity
Couldn't load pickup availability
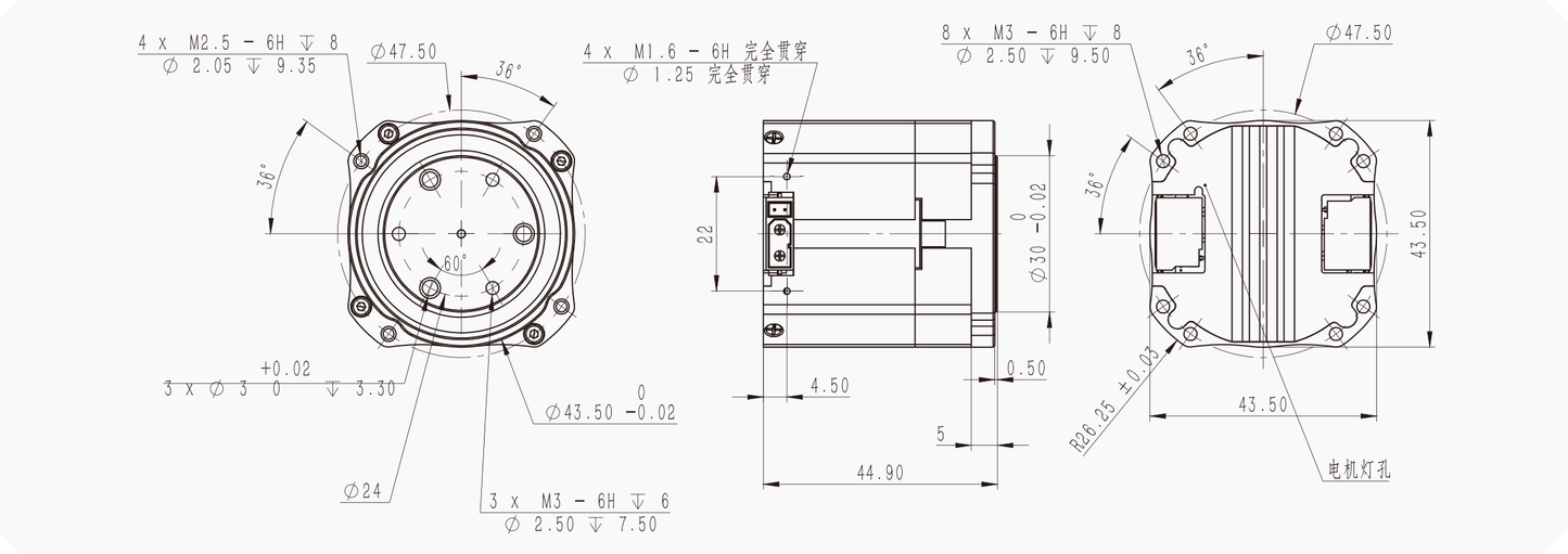
HTDW-4530-02-DNE Actuator / Joint Module
Compact integrated joint module with CANFD/CAN communication, designed for robotic joints and automation applications.
Features
Integrated actuator architecture
All-in-one module integrating motor, reducer, encoder, and driver to simplify system design and wiring for multi-axis robots.
Low backlash & positioning performance
Backlash < 10 arcmin, repeat positioning accuracy < 12 arcmin, absolute positioning accuracy < 15 arcmin.
CANFD/CAN communication
CANFD/CAN interface with 5 Mbps baud rate for stable command + feedback in distributed robotic control networks.
Fast response control loop
Torque control accuracy ±10%, response time 140 μs, control frequency 3 kHz—suited for dynamic motion and rapid control loops.
Specifications
Note: Locked-rotor torque and peak current depend on duty cycle and thermal conditions. For recommended limits and CAN protocol details, please contact us.
